● FEATURES
The interchangeable shunts are used for multiply the measuring range of measuring instrument .

● TECHNIQUE SPECIFICATIONS
Accuracy class : 0.5% for 5-40,000A , 1% for 5000A above
Ambient conditions: Temperature :
-40 ℃ - 60 ℃ , relative humidity ≤ 95%(35℃)
Capacity to wishstad mechanical force :
It is capable of with standing the the transport bumping at acceleration of 70m/ second and shock frequency of 80-120 time / min for 5 hours
Over rating capacity :
120% of rated current for 2 hours
Voltage drop : 50mv , 60mv , 75mv , 100mv
Giving out heat when loaded :
Not be more than 80℃ after temperature rise gets steady , not be more than 80℃ at rated current of over 50A
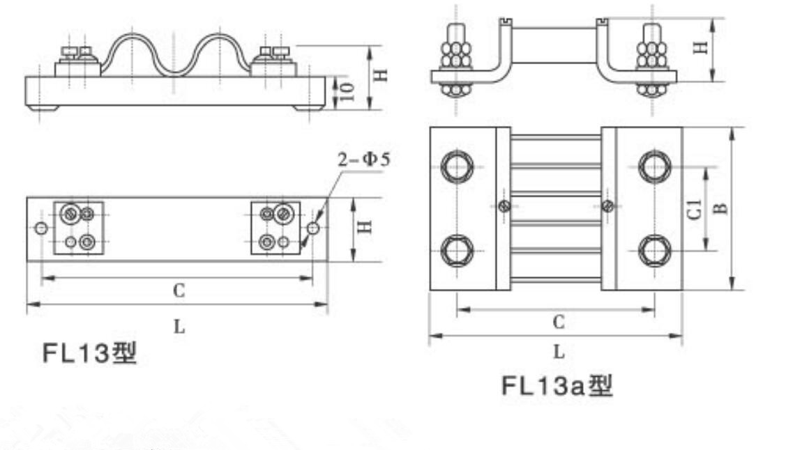
● CONSTRUCTION DRAWING

● DIMENSIONS

● Special requirement for dimension and other issues plz leave message to us
Shenzhen Headquarter Office :
Add: Room 812 , Plaza C WEGO Park , Bantian Hi-Tech Industrial Park , Longgang Shenzhen China 518129
Tel . +86 755 2870 1350
( UTC/GMT+8 9:00-18:00 )
E-mail: Info@sino-resistors.com